Denne siden bruker informasjonskapsler
Ved å bruke denne siden godtar du vår bruk av informasjonskapsler.
Tilpass
Tillat alle
Logg inn
Min handlekurv
Produkter
HENGSLER, SKINNER & SKUFFER
Hengsler
Monteringsplater
Løftebeslag Aventos
Legrabox
Movento
Metabox
Bormaler
Tip-On
Servo-Drive & Amperos
SKYVEDØRSBESLAG
Skyvedørsbeslag
Pocketsystemer
Hawa Clipo
Hawa Porta
Hawa Junior 80/B-Pocket
Hawa Multifold
BELYSNING & TILBEHØR
Led Belysning
Led Strips
Trafo, Dimmere & Sensorer
X-Driver
Småelektrisk
KJØKKENVASKER
Kjøkkenvask Stala
Kunststoff Vasker
Stålvasker
Blandebatterier
Heldekkende Benkeplater
Tilbehør
SKAPINNREDNINGER
Hjørnekarusell
Skaputtrekk
Avfallssortering
Garderobe
Conero Garderobe
Skapinnredning
Garderoberør
Sjalusidører
MONTERINGSDETALJER
Skruer
Diverse Monteringsdetaljer
Diverse Hengsler
Hyllebærere & Vinkler
Hjul, Sokkelbein & Møbelbein
Benkeplateforbinder
Kulelagerskinner
Lås & Tilbehør
Sinklist
Lufterist
Dryppskålbeskyttelse
KNOTTER & HÅNDTAK
Knotter
Håndtak
LAMELLO
Maskiner
Beslag
Limsystemer
P-system
Invis
Cabineo
Tilbehør
SKUFFEINNREDNING
Skuffeinnlegg
Antisklimatter
Innlegg For Vannlås
SLIPEMATERIELL
Maskiner
Pussepapir
Tilbehør
TRESKUFF NOTHEGGER
Limsystem
Pizzi
Lim & Fugemasse
Produktnyheter
Kataloger
Leverandører
Bli kunde
Om oss
Ansatte
Kontakt
Artikler
Min handlekurv
Hjem
Hengsler, Skinner & Skuffer
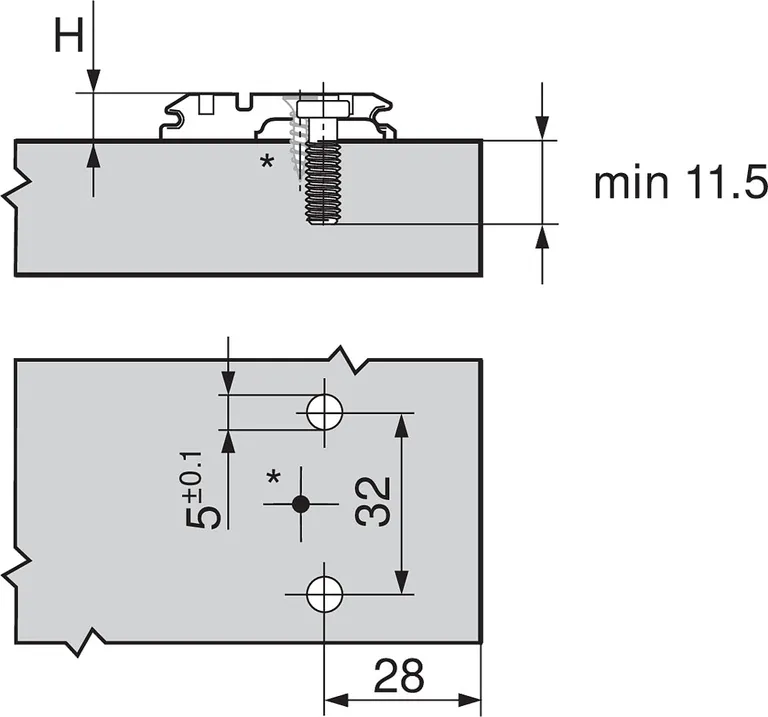
Monteringsplate Blum H0 28mm Dübel
174E6300
Monteringsplate Blum H0 28mm Dübel
Monteringsplate fra Blum H0 28mm med dübel (skruer inkl.).
Bestillingsforespørsel
Legg i handlekurv